Не работает команда М40 на станке 16А20 НЦ31
Перестала проходить команда М40 ,работают искал описание как работает эта команда, и лучшее забрал к себе на сайт .
Столкнулись с проблемой на станкеРазмер 16А20 под управлением НЦ31 перестала проходить команда М40, первым делом проверил микрики SQ7 и SQ8 все Ок. Далее начал копать плату автоматики и паролельно залез в интернет где нашел несколько толковых советов по поиску данной неисправности и решил их сразу здесь и записать дабы не забылось потом. Итак сресурса www.elmic.ru надергал советов по диагностики платы автоматики .
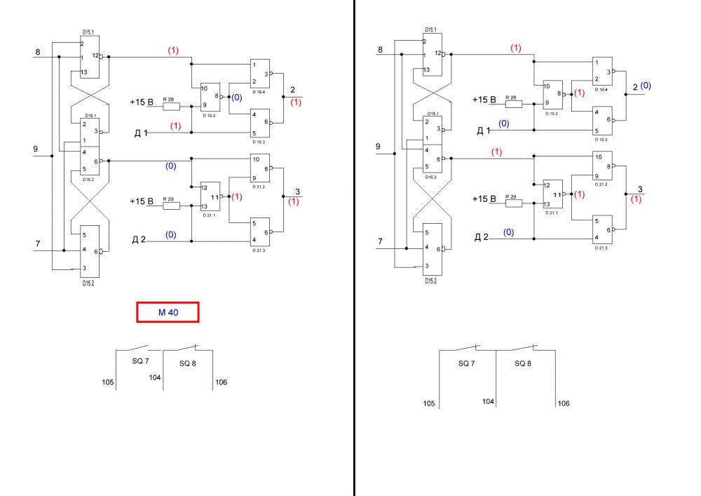
Отработка команда М40 должна выглядеть следующим образом:
1. С ЧПУ подается сигнал БСМ — кратковременно мигнет светодиод № 9 возле разъема X1.
2. Плата электроавтоматики отвечает сигналом РВК — горит светодиод №5 возле разъема Х2.
3. Выставляется номер команды 40 — горит светодиод №2 возле разъема Х1.
4. Дается сигнал Счит. — мигнет светодиод №13 возле разъема Х1.
Для выбора этого диапазона должен быть включен переключатель SQ7 (Д1) и отключен переключатель SQ8 (Д2). Это выглядит как негорящий светодиод №1 возле разъема Х6 и горящий светодиод №3 возле разъема Х6.
Номера светодиодов даны по Руководству по эксплуатации (Приложение 1, стр. 12). Также номера нанесены на плате шелкографией возле светодиодов.
Команды выбора диапазона М38-М40 отрабатываются платой электроавтоматики. С ЧПУ приходит код команды — в Вашем случае 40 — и сигнал БСМ. Дальнейшая логика работы команды формируется электроникой платы электроавтоматики. При совпадении выставленного кода диапазона и состояния SQ7, SQ8 плата выдает сигнал Ответ М.
Если не проходит команда М40, то или не работает плата электроавтоматики или до нее не доходят все сигналы от МПУ НЦ31. Другие команды — М и Т отрабытываются?
И информация сфорума https://www.chipmaker.ru/
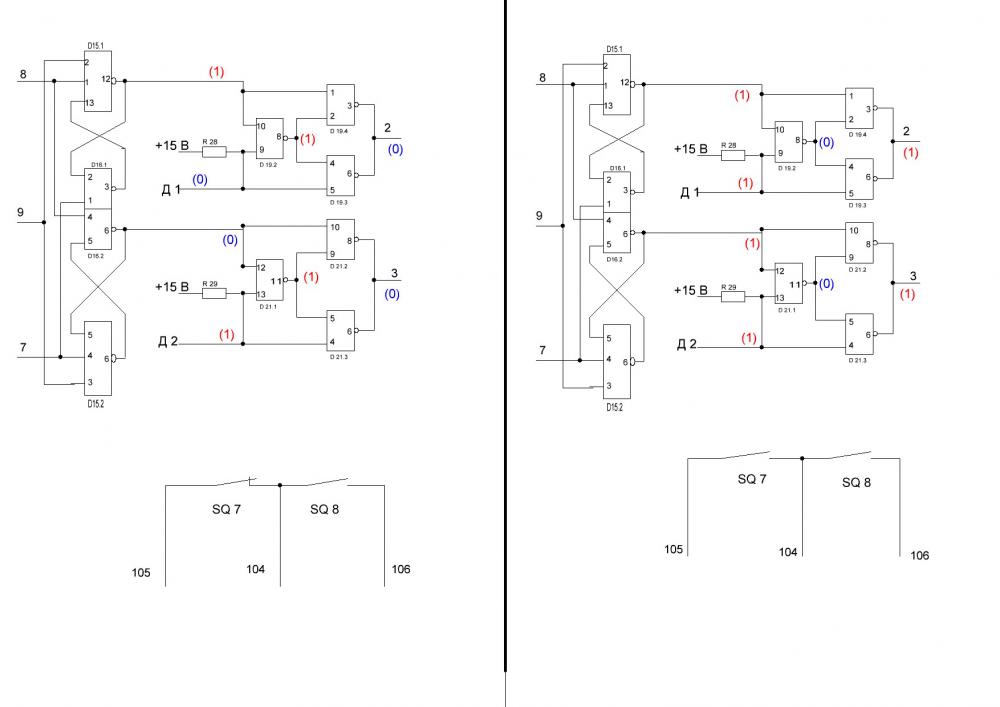
РВК: Поставьте рукоятку как было на первой картинке, забейте М40, выходы 2 и 3 выдадут «1». Но РВК не засветилась? Смотрите что на D37, Выход должен быть 0, входы 1.
Данные Т-параметров
Если №96Т 47070 то М38, №98Т 4500 — М40, №100Т 15471 — М39.



Вообщем пока писал статью и станок сделал, так как понятна стала логика работы.Проблемма была до смешного проста, были перепутанны кембрики на концевиках SQ7 и SQ8 непонятно как он раньше работал, но станок после капиталки поэтому может там напутали...
Комментарии ()